![]() |
![]() |
![]() |
![]() |
![]() |
![]() |
![]() |
![]() |
![]() |
![]() |
![]() |
![]() ![]() ![]() | ||||||||||
![]() ![]() ![]() |
||||||||||
![]() |
![]() |
![]() |
![]() |
![]() |
![]() |
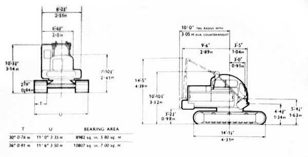
Neals Neal-Unit 1720 Mobile
|
||||
Model - 1720 crane unit | Type - Site Mobile | Lift weight - 20 ton | ||
Date - 1962 | Power - Diesel Mechanical | Wheel Base - Tracks | ||
Notes - The basic Neal-Unit could be configured in a number of ways from diggers to cranes. Click on any picture for bigger image |
||||
![]() ![]() ![]() ![]() ![]() ![]() ![]() ![]() ![]() ![]() ![]() ![]() ![]() ![]() |
||||
![]() Thanks - 1.2.3. Roly Billings ![]() |
![]() ![]() ![]() |
||||||||||
![]() |
||||||||||